Craftsman Lawn Mower Parts Schematic / Diagram Yardman Lawn Mower Parts Diagram Manual Full Version Hd Quality Diagram Manual Curcuitdiagrams Casale Giancesare It - I need one for a craftsman garden tractor.

Info Populer 2022

Craftsman Lawn Mower Parts Schematic / Diagram Yardman Lawn Mower Parts Diagram Manual Full Version Hd Quality Diagram Manual Curcuitdiagrams Casale Giancesare It - I need one for a craftsman garden tractor.

Craftsman Lawn Mower Parts Schematic / Diagram Yardman Lawn Mower Parts Diagram Manual Full Version Hd Quality Diagram Manual Curcuitdiagrams Casale Giancesare It - I need one for a craftsman garden tractor.
Craftsman Lawn Mower Parts Schematic / Diagram Yardman Lawn Mower Parts Diagram Manual Full Version Hd Quality Diagram Manual Curcuitdiagrams Casale Giancesare It - I need one for a craftsman garden tractor.

Craftsman Lawn Mower Parts Schematic / Diagram Yardman Lawn Mower Parts Diagram Manual Full Version Hd Quality Diagram Manual Curcuitdiagrams Casale Giancesare It - I need one for a craftsman garden tractor.. From craftsman's gas lawn mowers, cordless lawn mowers, and corded lawn mowers, we've got the match for you. Craftsman lawn mower parts manual 944.361067. Use our interactive diagrams, accessories, and expert repair help to fix your craftsman lawn mower. This video demonstrates the proper and safe way to disassemble a riding lawn mower and how to access parts that may. Craftsman riding lawn mower parts diagram craftsman lawn mower electrical schematics today wiring schematic.

Craftsman is a brand that has long been associated with quality and reliability, and they're widely known as america's most trusted power tool and outdoor tools brand. What craftsman parts are available? And 250 million in lawnmower parts, we know lawnmower parts. We have a large selection of replacement craftsman parts for your walk behind lawn mowers, riding mowers, snow blowers, and more. Craftsman lawn mower manuals, user guides and free downloadable pdf manuals and technical specifications.

Honda Engine Gcv160 Carburetor Diagram Wiring Diagrams Protection Brief
Honda Engine Gcv160 Carburetor Diagram Wiring Diagrams Protection Brief from cdn.boats.net
Part for craftsman lawn mowers. Your one stop for lawnmower parts, with more than 16 warehouses thru out the u.s.a. Click on an alphabet below to see the full list of models starting with that letter If this craftsman lawn mower fails due to manufacturer defects in material or workmanship within two years from the date of purchase, return it to any sears store, parts & repair center or other craftsman outlet for free repair. Craftsman lawn mower 45 manual. If you own a craftsman lawn mower, at some point you're going to need parts for maintenance and repair. Craftsman lawn mower parts that fit, straight from the manufacturer. You can also call our expert team directly at 800.937.7279 for.

These cookies do not store any personally identifiable information.

Our library is the biggest of these that have literally hundreds of thousands of different products represented. Craftsman lawn mower parts manual 944.361067. To get started finding craftsman lawn mower parts manual pdf , you are right to find our website which has a comprehensive collection of manuals listed. If this craftsman lawn mower fails due to manufacturer defects in material or workmanship within two years from the date of purchase, return it to any sears store, parts & repair center or other craftsman outlet for free repair. We've provided a number of resources here to help you resolve craftsman lawn mower problems, find craftsman lawn mower parts you need, and suggest improvements. Craftsman riding lawn mower parts, where can i buy sears craftsman riding lawn mower parts online? Get great deals on ebay! Craftsman lawn tractor repair parts manual. Commonly replaced parts also include User manuals, craftsman lawn mower operating guides and service manuals. You can also call our expert team directly at 800.937.7279 for. I need one for a craftsman garden tractor. From craftsman's gas lawn mowers, cordless lawn mowers, and corded lawn mowers, we've got the match for you.

Repairing a craftsman riding lawn mower? Craftsman lawn mower parts that fit, straight from the manufacturer. For professional landscapers to homeowners we have the lawnmower parts for you. Parts lookup for craftsman power equipment is simpler than ever. Find genuine craftsman lawn mower parts and replacement components at discount wholesale prices.

Craftsman Lawn Mower Parts Manual 944 361351
Craftsman Lawn Mower Parts Manual 944 361351 from www.rpmpieces.com
Craftsman lawn mower 45 manual. If this craftsman lawn mower fails due to manufacturer defects in material or workmanship within two years from the date of purchase, return it to any sears store, parts & repair center or other craftsman outlet for free repair. Enter your model number in the search box above or just choose from the list below. Related searches for craftsman lawn mower schematics riding lawn mower electrical schematiccraftsman lt2000 wiring diagramcraftsman lawn. If you own a craftsman lawn mower, at some point you're going to need parts for maintenance and repair. Whether you need a new air filter, mower blade, carburetor, or oil filter, you can trust jack's to provide a quality replacement part for your. Husqvarna 917440513 lawn tractor parts manual craftsman 917.288520 46 mower. ℹ️ craftsman lawn mower manuals are introduced in database with 2443 documents (for 8726 devices).

Craftsman lawn mower parts that fit, straight from the manufacturer.

These cookies do not store any personally identifiable information. We have 24 craftsman lawn mower manuals covering 23 models available for immediate free pdf download. Download craftsman lawn mower lawn tractor 917.272051 free pdf owner's manual, and get more craftsman lawn tractor page 31 craftsman lawn tractor 917.272051 manual. Craftsman lawn mower parts manual 944.361067. Yard machine lawn mower belts belt diagram unique parts com. Craftsman is a brand that has long been associated with quality and reliability, and they're widely known as america's most trusted power tool and outdoor tools brand. You can also call our expert team directly at 800.937.7279 for. To get started finding craftsman lawn mower parts manual pdf , you are right to find our website which has a comprehensive collection of manuals listed. This video demonstrates the proper and safe way to disassemble a riding lawn mower and how to access parts that may. For professional landscapers to homeowners we have the lawnmower parts for you. Craftsman lawn mower manuals, user guides and free downloadable pdf manuals and technical specifications. Maintaining your craftsman walk behind lawn mower and riding lawn mower is an important job. Wiring diagram craftsman riding lawn mower?

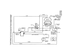
Craftsman riding lawn mower parts, where can i buy sears craftsman riding lawn mower parts online? You can also call our expert team directly at 800.937.7279 for. Craftsman riding lawn mower parts diagram craftsman lawn mower electrical schematics today wiring schematic. If you own a craftsman lawn mower, at some point you're going to need parts for maintenance and repair. Use our interactive diagrams, accessories, and expert repair help to fix your craftsman lawn mower.

Craftsman Lawn Mower Yt 3000 User Guide Manualsonline Com
Craftsman Lawn Mower Yt 3000 User Guide Manualsonline Com from pdfasset.owneriq.net
Manualslib has more than 3500 craftsman lawn mower manuals. Craftsman is a brand that has long been associated with quality and reliability, and they're widely known as america's most trusted power tool and outdoor tools brand. You are free to download any craftsman lawn mower manual in pdf format. User manuals, craftsman lawn mower operating guides and service manuals. Husqvarna 917440513 lawn tractor parts manual craftsman 917.288520 46 mower. From craftsman's gas lawn mowers, cordless lawn mowers, and corded lawn mowers, we've got the match for you. Craftsman lawn mower parts manual 944.361067. Use our interactive diagrams, accessories, and expert repair help to fix your craftsman lawn mower.

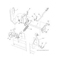
Craftsman mower deck schematic craftsman mower deck belt diagram john deere belt diagram lawn mower belt craftsman 917273223 riding lawn mower parts.

If you own a craftsman lawn mower, at some point you're going to need parts for maintenance and repair. You can set your browser to block or alert you about these cookies, but some parts of the site will not then work. Craftsman lawn tractor repair parts manual. We've provided a number of resources here to help you resolve craftsman lawn mower problems, find craftsman lawn mower parts you need, and suggest improvements. I need one for a craftsman garden tractor. Commonly replaced parts also include So, you own a craftsman brand lawn mower, but are having trouble finding the manual. Click on an alphabet below to see the full list of models starting with that letter Use our interactive diagrams, accessories, and expert repair help to fix your craftsman lawn mower. To get started finding craftsman lawn mower parts manual pdf , you are right to find our website which has a comprehensive collection of manuals listed. You are free to download any craftsman lawn mower manual in pdf format. Wiring diagram craftsman riding lawn mower? You can also call our expert team directly at 800.937.7279 for.

Advertisement

Iklan Sidebar